2020-09-03 作者: 來源:

一、背景
當代機(ji)械加工(gong)(gong)行業的(de)發展大大推進了(le)對(dui)加工(gong)(gong)方式的(de)改革,尤其是數(shu)控設備(bei)的(de)出(chu)現更(geng)是對(dui)加工(gong)(gong)方式提出(chu)了(le)更(geng)高的(de)要求(qiu),以(yi)往的(de)手工(gong)(gong)編程已不能滿(man)足人們(men)對(dui)于更(geng)快更(geng)精確更(geng)復雜加工(gong)(gong)方式的(de)需求(qiu),而(er)借(jie)助于計(ji)算(suan)機(ji)編程的(de)加工(gong)(gong)方式越來越廣(guang)泛的(de)應用(yong)于機(ji)械加工(gong)(gong)行業,以(yi)及所有(you)適用(yong)的(de)數(shu)控設備(bei)行業。
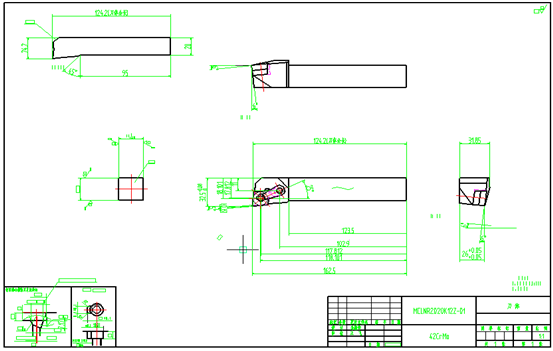
MCLNR2020K12是(shi)車加(jia)工(gong)常用的(de)外(wai)圓車刀(dao),也(ye)是(shi)大(da)連(lian)市(shi)技師學(xue)院校(xiao)企(qi)合作項目(mu)研(yan)發(fa)生(sheng)(sheng)產的(de)產品,在(zai)研(yan)發(fa)和生(sheng)(sheng)產過程中,學(xue)生(sheng)(sheng)要(yao)在(zai)企(qi)業(ye)(ye)真實產品的(de)標準要(yao)求下(xia),按照(zhao)教(jiao)學(xue)任(ren)務學(xue)習CAD/CAM工(gong)業(ye)(ye)軟件,并完成車刀(dao)的(de)生(sheng)(sheng)產加(jia)工(gong)。

二、需求
以(yi)MCLNR2020K12外圓(yuan)車(che)(che)刀(dao)研(yan)發和生產(chan)為基礎,研(yan)發多品種的(de)(de)車(che)(che)刀(dao)系(xi)列(lie)產(chan)品,構建完整的(de)(de)車(che)(che)刀(dao)產(chan)品庫(ku),包括(kuo)車(che)(che)刀(dao)種類、型號、圖紙、工(gong)藝(yi)、加工(gong)程序(xu)等電子資(zi)料,形成教學資(zi)源,將生產(chan)任務與教學任務結合。
三、應用
1、設計

利(li)用CAXA制(zhi)造(zao)工程(cheng)師的繪圖功能完成MCLNR2020K12車刀(dao)和車刀(dao)型腔的設計(ji)繪制(zhi),形成數字化的圖紙,實(shi)現無紙化。
2、工藝

根據(ju)MCLNR2020K12車刀的結構特點,結合CAXA制(zhi)造工(gong)程(cheng)師的加(jia)工(gong)編程(cheng)能力(li),開發制(zhi)定工(gong)藝主要為平面加(jia)工(gong)、孔加(jia)工(gong)、外輪廓加(jia)工(gong)、型腔加(jia)工(gong)四(si)個(ge)部(bu)分。
3、編程
導(dao)入設計的(de)刀(dao)具(ju)圖形,根據(ju)制定的(de)工(gong)藝,合(he)理選擇加工(gong)刀(dao)具(ju)和合(he)切削參數(shu),生成加工(gong)軌跡。具(ju)體步驟如下:


第九步:攻絲
4、仿真
生成加(jia)工軌跡后,利(li)用CAXA制(zhi)造工程師的加(jia)工仿真功能,進行實體加(jia)工仿真驗證,經(jing)過驗證,刀具軌跡正(zheng)確。

5、程序
將驗證過的加工(gong)(gong)軌跡,根據機床的數(shu)控系統(tong)選(xuan)擇(ze)相(xiang)應的后置,生(sheng)成加工(gong)(gong)程序。

6、加工
將(jiang)加(jia)工(gong)材料裝夾在加(jia)工(gong)中心,完(wan)成對刀等操作,通過CAXA制造(zao)工(gong)程(cheng)師(shi)將(jiang)程(cheng)序傳輸至加(jia)工(gong)中心,完(wan)成加(jia)工(gong)。


7、成品
加工完成后(hou),對切(qie)屑和(he)切(qie)削(xue)液進行清理,將最終產品送(song)檢。

三、結論和價值
結論:
CAXA制造(zao)工程師是一款優秀的國產數控加工軟件,運用CAXA制造(zao)工程師,生成G代碼,導入(ru)數控機床自動加工,簡(jian)單易學(xue),刀、刀具路徑(jing)設(she)計合理(li)、正確,執行加工一次成功。具有以下(xia)幾個優點(dian):
軟(ruan)件整體設計和功能布局(ju)清晰(xi)合(he)理,使(shi)用相(xiang)關菜單進行設計和編(bian)程,簡(jian)單易學(xue)。
刀路(lu)軌跡(ji)生成速度快,軌跡(ji)顯(xian)示真實、清晰、直觀。編程效率高。
加工(gong)仿真模(mo)擬真實加工(gong)場景(jing),經仿真加工(gong)和(he)刀具干涉檢(jian)查(cha),減少了(le)程序(xu)調(diao)試和(he)試切時間,減少了(le)機床工(gong)時占用,縮短(duan)了(le)生(sheng)產(chan)(chan)周(zhou)期(qi),提升了(le)產(chan)(chan)品核心競爭力(li)。
設計和(he)編程功能多樣,可以滿(man)足復雜(za)零件(jian)設計和(he)加工。
價值:
通過使用(yong)CAXA制造工(gong)程(cheng)師(shi)生產加工(gong)(MCLNR2020K12)車刀,實現了以下幾個(ge)價值:
滿足研發(fa)生產需要:滿足了學校(xiao)的校(xiao)企合作項目研發(fa)生產車刀產品(pin)的要求。
滿足教學任務需要:學生在真實(shi)的(de)項(xiang)目(mu)中,學會了CAD/CAM軟(ruan)件的(de)使用(yong),學會了機床(chuang)的(de)操作,具備了真正加工的(de)能(neng)力(li)。
滿足(zu)開發(fa)教(jiao)學(xue)資源和課程的需要:借助CAXA制造工程師先(xian)后研制了近(jin)20種機(ji)加車刀,并(bing)開發(fa)了工作頁,形成了教(jiao)學(xue)資源和課程體系。
