2010-03-10 作者: 來(lai)源:caxa
CAXA電子(zi)(zi)圖板作為(wei)一(yi)(yi)個專為(wei)機(ji)械(xie)行業設計(ji)的(de)(de)(de)(de)輔助設計(ji)軟件,其功能的(de)(de)(de)(de)確十分(fen)的(de)(de)(de)(de)強大,繪圖也非(fei)常的(de)(de)(de)(de)方便、簡潔(jie)。作為(wei)一(yi)(yi)個使用了多年CAXA電子(zi)(zi)圖板的(de)(de)(de)(de)老用戶,在(zai)此介紹(shao)下自(zi)己在(zai)繪制機(ji)械(xie)總裝圖紙的(de)(de)(de)(de)一(yi)(yi)些技(ji)巧(qiao),僅希(xi)望能夠給初學(xue)電子(zi)(zi)圖板的(de)(de)(de)(de)朋友(you)一(yi)(yi)點小的(de)(de)(de)(de)幫助,讓更多的(de)(de)(de)(de)中(zhong)國(guo)機(ji)械(xie)設計(ji)師(shi)了解、使用和掌(zhang)握(wo)我們(men)中(zhong)國(guo)人自(zi)己的(de)(de)(de)(de)CAD軟件。

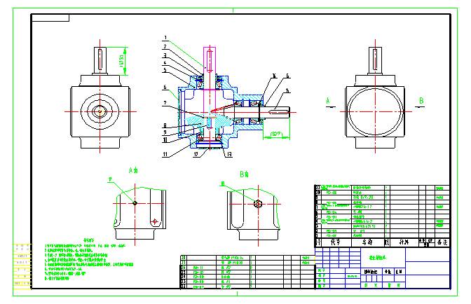
下面以(yi)繪制上(shang)圖所示錐(zhui)齒減速(su)箱總(zong)裝圖為例,按(an)制圖步驟介紹幾點本人的使(shi)用技(ji)巧。
第一步:零部件準備。
技巧1——對總裝(zhuang)(zhuang)圖(tu)中(zhong)需要用到的(de)零部(bu)件(jian)進行塊(kuai)定義。這樣做的(de)好處在(zai)于(yu)方便對零部(bu)件(jian)的(de)選(xuan)(xuan)擇和裝(zhuang)(zhuang)配關(guan)系的(de)定位,不會出現普通圖(tu)形(xing)選(xuan)(xuan)擇時的(de)漏選(xuan)(xuan)或者(zhe)多選(xuan)(xuan)。如圖(tu)所需定義塊(kuai)的(de)零件(jian)分(fen)別為:
① —殼體(剖(pou)視圖); ②—從動軸(zhou);

② —從(cong)動錐(zhui)齒輪; ④—錐(zhui)齒輪軸(zhou);

⑤—隔離套 ⑥—墊片(pian)

⑦—堵蓋(gai)1 ⑧—堵蓋(gai)1

其他標(biao)準件只需用軟件提(ti)供的標(biao)準件庫按(an)照設計(ji)規格(ge)進行調用就(jiu)可以了。
技巧2——如上(shang)所示,對不同(tong)的零部件(jian)分別設置(zhi)不同(tong)的顏(yan)色。這樣(yang)做的好處是可以更(geng)加直觀的對零部件(jian)加以區分。
第二步:依(yi)裝配(pei)關系(xi)對各零件進(jin)行預總(zong)裝裝配(pei)(此(ci)過程(cheng)不再累述,按(an)照通常的制圖步驟以及設計師自己的設計思路將各零部件、標準(zhun)件進(jin)行預組裝),如下圖所示(shi):
技巧3——在這個過程(cheng)中,裝配零(ling)部件(jian)時(shi)應多采用特征點定位(特征點捕捉(zhuo)立即菜單用空(kong)格鍵調出)。這樣(yang)做的好處是零(ling)部件(jian)定位比(bi)較精確(que)。
齒輪箱預組裝圖:

第三步:對預裝配后的(de)圖紙進(jin)行細節修正。
此時大家會(hui)發現在一些零(ling)(ling)件(jian)的(de)(de)(de)(de)剖切部分會(hui)出現多個零(ling)(ling)件(jian)的(de)(de)(de)(de)圖素重疊的(de)(de)(de)(de)現象,此時我們可以直接使用軟(ruan)件(jian)自帶的(de)(de)(de)(de)塊(kuai)消隱命令(ling),用需要顯(xian)(xian)示(shi)的(de)(de)(de)(de)主要零(ling)(ling)件(jian)的(de)(de)(de)(de)塊(kuai)來消隱其他零(ling)(ling)件(jian)的(de)(de)(de)(de)顯(xian)(xian)示(shi)就可以了,并且可以按照主次(ci)關系依次(ci)執行(xing)消隱命令(ling),軟(ruan)件(jian)會(hui)自動(dong)按消隱步(bu)驟設置零(ling)(ling)部件(jian)的(de)(de)(de)(de)消隱。(消隱效(xiao)果如下(xia)圖所示(shi))
技巧4——調用的標準件不(bu)要進行編(bian)輯操作,這(zhe)樣標準件零(ling)件的自身屬性(xing)就不(bu)會丟失,在制(zhi)作零(ling)件明(ming)細表時就可(ke)以實現零(ling)件屬性(xing)的自動填寫了(le)。
塊消隱前:

塊(kuai)消隱后:

第四步:經過細節修正后(hou),給圖紙添加尺寸、形位(wei)公差、零件明細表和裝配技術(shu)要(yao)求。
這樣(yang)一(yi)份如開篇所示的(de)總裝圖紙(zhi)就算完成了。
以上便(bian)是本人在(zai)用CAXA電(dian)子圖板繪制機械總(zong)裝圖的(de)(de)幾點(dian)繪制技(ji)巧,雖然算不上什么(me)十分高明的(de)(de)技(ji)巧,但卻是實(shi)際使用CAXA電(dian)子圖板過程(cheng)中(zhong)總(zong)結出來(lai)(lai)的(de)(de)。值(zhi)此(ci)CAXA征(zheng)文之際,拿出來(lai)(lai)供大家(jia)參考,也真心的(de)(de)希望(wang)能(neng)夠對大家(jia)有所幫(bang)助。
在此非(fei)常感謝CAXA公(gong)司為我們中(zhong)國工程師所(suo)研發的(de)電(dian)子(zi)圖板這個軟(ruan)件(jian),真誠的(de)希望我們的(de)國產(chan)CAD軟(ruan)件(jian)——CAXA電(dian)子(zi)圖板能夠越來越完善,相(xiang)信CAXA電(dian)子(zi)圖板終(zhong)將成為國產(chan)CAD軟(ruan)件(jian)的(de)驕傲(ao)。